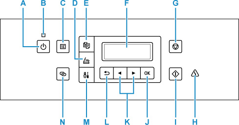
لوحة التشغيل

- A: الزر تشغيل (ON)
-
يُستخدم في التشغيل أو إيقاف التشغيل. تأكد من إغلاق غطاء المستندات قبل تشغيل الطاقة.
- B: المصباح تشغيل (ON)
- يضيء بعد إصداره وميضًا عند تشغيل الطاقة.
- C: الزر القائمة (MENU)
- لعرض شاشة Copy menu أو Scan menu.
- D: الزر مسح ضوئي (SCAN)
- لتحويل الطابعة إلى وضع المسح الضوئي.
- E: الزر نسخ (COPY)
- لتحويل الطابعة إلى وضع النسخ.
- F: LCD (شاشة الكريستال السائل)
- تعرض الرسائل، وعناصر القوائم، وحالة التشغيل.
- G: الزر إيقاف (Stop)
- يقوم بإلغاء التنفيذ عندما تكون هناك مهمة طباعة أو نسخ أو مسح ضوئي قيد التنفيذ.
- H: المصباح تنبيه (Alarm)
- يضيء هذا المصباح أو يصدر وميضًا عند حدوث خطأ.
- I: الزر بدء (Start)
- يقوم ببدء النسخ والمسح الضوئي وغير ذلك
- J: الزر موافق (OK)
- يقوم بإنهاء تحديد عنصر قائمة أو عنصر إعداد. كما يتم استخدام هذا الزر لمعالجة أحد الأخطاء أو لإخراج المستندات الموجودة في ADF (وحدة التغذية التلقائية للمستندات).
- K: الزران
و
-
يُستخدمان لتحديد عنصر إعداد. ويُستخدَم هذان الزران أيضًا لإدخال الأحرف.
- L: الزر السابق (Back)
- لإعادة شاشة LCD إلى الشاشة السابقة.
- M: الزر إعداد (Setup)
- يقوم بعرض شاشة Setup menu. باستخدام هذه القائمة، يمكنك إجراء صيانة للطابعة وتغيير إعدادات الطابعة. كما يتم استخدامه لتحديد وضع الإدخال.
- N: زرالاتصال اللاسلكي (Wireless connect)
- لتعيين معلومات الموجه اللاسلكي في الطابعة مباشرة من هاتف ذكي أو من جهاز آخر (دون الحاجة إلى القيام بأية إجراءات في الموجه)، اضغط مع الاستمرار على هذا الزر.

